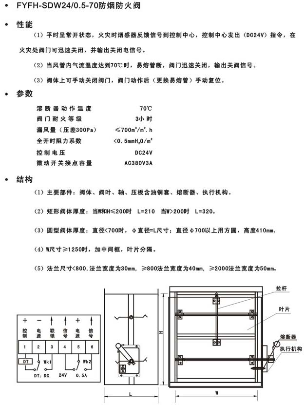
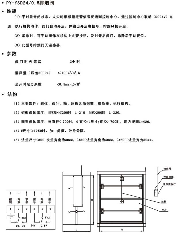
您当前的位置:首页 > 产品展示

防火阀、排烟阀、风口

产品名称:防火阀、排烟阀、风口
产品编号:28
产品型号:防火阀、排烟阀、风口

Copyright ? MK体育风机(集团)有限公司 (绍兴MK体育风机销售有限公司) 版权所有    浙ICP备20027036号-2        浙公网安备33060402001868